Комплект для кухни GROHE Red Duo с C-образным смесителем, бойлером L-Size и фильтром, хром (30079001)
Описание
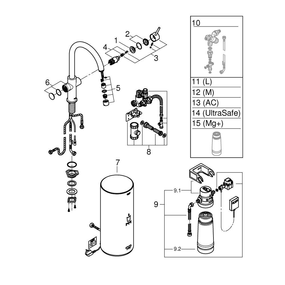
Смеситель для кухни GROHE Red Duo - самое удобное дополнение к вашей кухне
Мгновенно получите кипяток прямо из крана благодаря утонченному и функциональному смесителю для кухни GROHE Red Duo. Кипяток отлично подходит для заваривания чая и кофе, а также для приготовления пищи и наполнения кастрюль. Функция подачи кипятка активируется с помощью нажатия на кнопку, которая защищена от использования детьми. Высокий C-образный излив делает наполнение больших емкостей простым, а угол поворота в 150° увеличивает удобство использования. Технология GROHE SilkMove обеспечивает плавность и точность управления рычагом смесителя. При использовании этого продукта главное - безопасность: благодаря автоматической блокировке GROHE ChildLock ребенок не сможет случайно открыть воду и обжечься. Разряд энергоэффективности продукта - A, что позволяет перевести бойлер в режим каникул - в этом состоянии температура воды будет ограничена 60° C. Способный мгновенно предоставить до 5,5 л кипятка, бойлер сделан из титана для превосходной защиты от коррозии, а ослепительное хромовое покрытии смесителя GROHE StarLight сохранит свой блеск на долгие годы. Фильтр GROHE Red очищает воду от тяжелых металлов и извести, увеличивая срок жизни как бойлера, так и смесителя. Покупателям также будет интересно приобрести смешивающий вентиль Coldfill (40841001) на замену кухонных смесителей для открытых водонагревателей. Вентиль смешивает холодную воду с кипятком, мгновенно предоставляя вам теплую воду. Это означает, что вам больше не нужно будет ждать, пока вода нагреется и, как следствие, вы потратите меньше воды.



















































































































































































































.jpg)
.jpg)





















































.jpg)
.jpg)










.jpg)





























































































Загружается...