Смеситель для раковины GROHE Eurocube с донным клапаном, S-size, хром (2339000E)
Бесплатная доставка
100% оригинал
Описание
Стильный и эргономичный смеситель для ванной комнаты GROHE Eurocube с донным клапаном разработан с использованием технологии, которая означает, что при нахождении рычага в центральном положении течет только холодная вода. Поскольку вы сократите потребление теплой воды в повседневных рутинах, таких как чистка зубов или мытье рук, это хорошо как для окружающей среды, так и для вашего кошелька. Чтобы включить теплую воду, просто поверните рычаг влево. Сократите потребление воды до 50% с помощью технологии экономии воды.
С удобным сливным клапаном и низким изливом, смеситель для ванной комнаты GROHE Eurocube представляет собой стильное сочетание инновационных технологий и комфорта!
- монтаж на одно отверстие
- металлический рычаг
- сливной гарнитур 1 1/4″
- гибкая подводка
- с ограничителем температуры
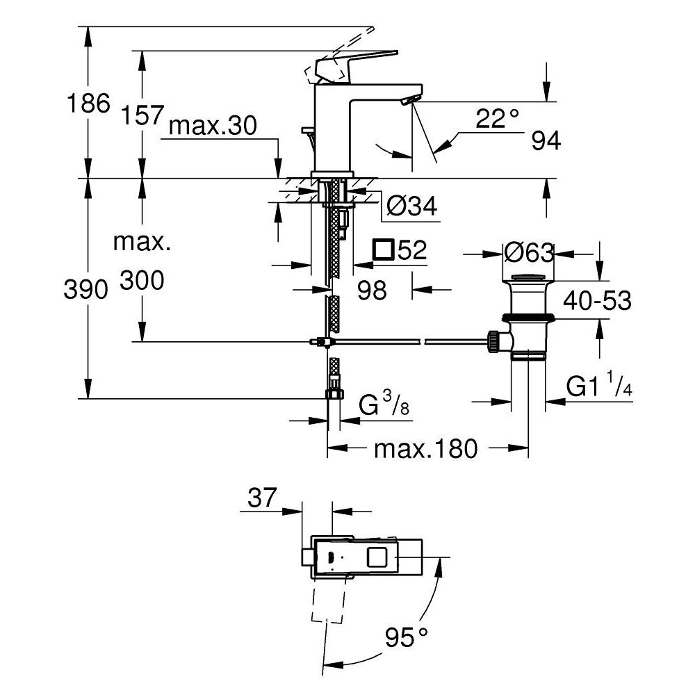
Характеристики
Технические характеристики
Управление
рычажное
Механизм управления
керамический картридж
Диаметр картриджа
28 мм
Излив
фиксированный
Высота излива
94 мм
Длина излива
98 мм
Расход воды
5 л/мин
Подключение
Внешний / встраиваемый монтаж
внешний
Тип монтажа
на раковину, на столешницу
Количество монтажных отверстий
1
Стандарт подводки
3/8 дюйма
Тип подводки
гибкая
Отзывы покупателей
Вопросы и ответы
По этому товару ещё не задавали вопросов.



















































































































































































.jpg)




















































































Загружается...