Термостат для ванны GROHE Grohtherm 2000, хром (34464001/U1), уцененный товар
Описание
ПРИЧИНА УЦЕНКИ:
Товар имеет недостатки. На корпусе термостата сверху присутствуют царапины и потертости. На регуляторах управления имеются незначительные потертости. На изливе термостата слева и на правой нижней части корпуса присутствует дефект хромированного покрытия в виде темных пятен и разводов. Упаковка может иметь повреждения. Приобретая данный товар, Потребитель подтверждает, что уведомлен о данных недостатках и согласен с ними.
Важно: Изделие новое, не было в эксплуатации, полностью исправно и обладает всеми заявленными производителем функциями. Косметические дефекты не влияют на работоспособность, точность регулировки температуры и срок службы товара. Комплектация является полной.
ОБРАТИТЕ ВНИМАНИЕ: возврат уцененного товара 7 дней, гарантия 30 дней
Эффективность, которой вы можете доверять! С водосберегающим термостатом GROHE Grohtherm 2000 принимать ванну или душ стало проще, чем когда-либо. Просто выберите желаемую температуру и дайте воде течь!
Вы можете рассчитывать на мгновенную и постоянную горячую воду без резких скачков холода, если давление внезапно изменится. Термостат всегда безопасен для прикосновения, поскольку его поверхность не нагревается, что придает вашей ванной комнате расслабляющую атмосферу в стиле спа. Grohtherm 2000 легко переключается между каскадным изливом для ванны и душем, который имеет удобную полочку EasyReach. Надежный и очень безопасный для вас в использовании, этот термостат также оснащен функцией ограничения температуры, установленной на 38°C, которая не позволяет детям слишком сильно повышать температуру. Он также имеет устойчивое к царапинам хромированное покрытие, которое будет сиять долгие годы, а также кнопку экономии воды, которая сокращает расход воды до 50% — простой способ сэкономить драгоценные природные ресурсы и деньги!
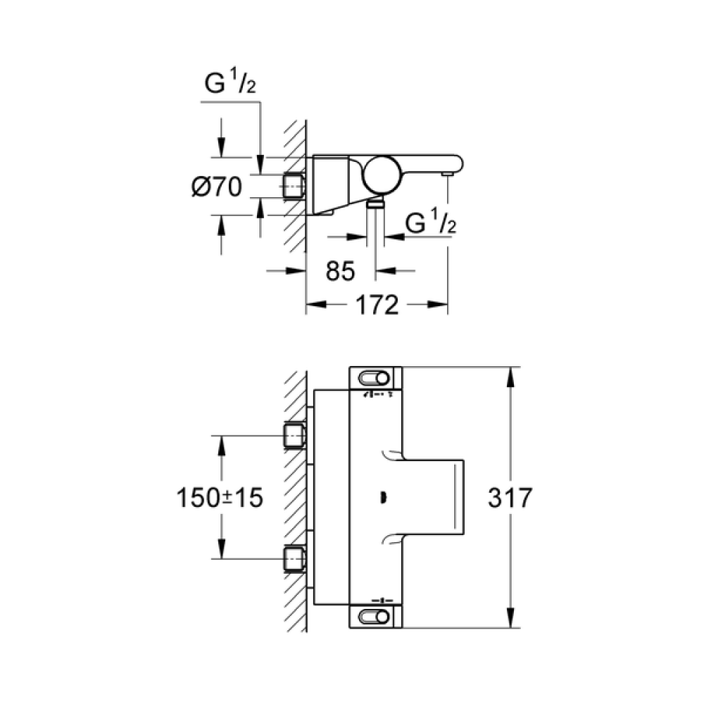
- настенный монтаж.
- переключатель: ванна / душ
- отвод для душа снизу 1/2"
- ламинарный преобразователь струи
- встроенные обратные клапаны
- грязеулавливающие фильтры
- с защитой от обратного потока
- скрытые S-образные эксцентрики
Внимание! Для корректной работы устройства горячая вода должна быть подведена к левой стороне термостатического смесителя.


















































































































































































.jpg)















































































































Загружается...